HEDERA REZERVES DAĻAS
Izkapts segments, 83 X 76 MM, 25 gab.
€1879
Preču cena norādīta ar iekļautu PVN 21%.
Norādītā cena ir spēkā, pasūtot preci 09.04.2026.
Norādītā cena ir spēkā, pasūtot preci 09.04.2026.
Segmenti paredzēti visiem modeļiem ar kniedi/skrūvi.
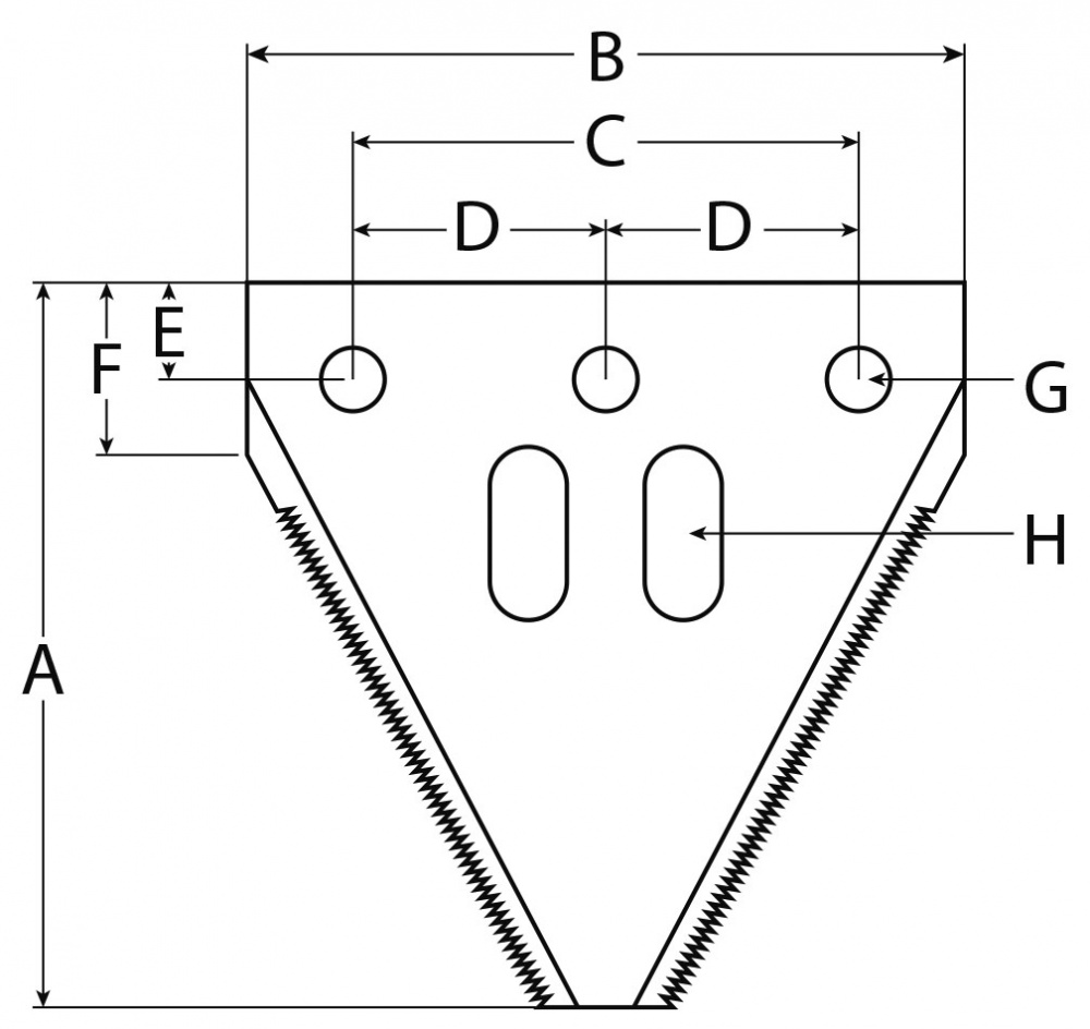
Parametri
| Izmērs | |
| A(mm): | 84 |
| B(mm): | 76 |
| Biezums (mm): | 2,7 |
| C (mm): | 51 |
| D(mm): | n/a |
| Daudzums | 25 |
| E(mm): | 19 |
| F(mm): | 29 |
| G (mm): | 6,5 |
| H (mm): | n/a |
| Reference: | 0006112031 |








